ШУ дренажной (канализационной) насосной станцией

Технические характеристики
Общие сведения
Условные обозначения в наименовании шкафа управления
Схема шкафа
Алгоритм работы
Инструкция по вводу в эксплуатацию щита управления насосами
Требования по безопасности
Гарантия и сервис

Технические характеристики

Диапазон напряжения и частоты на входе: 3 ~ 380 В (+/- 30% не более 1 с), 50/60 Гц ± 2%
Защитная и коммутационная аппаратура: Выключатель-Разъединитель, Автоматические выключатели питания двигателей и управляющих сигналов, Контакторы, тепловые реле, реле контроля фаз, промежуточные реле на внешних выходах
Номинальное напряжение изоляции: 500 В
Диапазон мощностей: До 45 кВт
Тип пуска электродвигателя: Прямой пуск
Методы управления: Дискретные
Рабочая температура окружающей среды: -25...+40, °C (опционально -60…+50)
Гарантийный срок для конечного потребителя:12 месяцев с даты ввода в эксплуатацию, но не более 18 месяцев с даты продажи
Вентиляция (охлаждение), обогрев, освещение: Опционально
Функция АВР: Опционально

Встроенные функции: Отключение двигателя и перевод на резервный при повышении токовой и температурной нагрузки выше установленного значения
Пуск и остановка двигателя от сигналов датчиков, локально
или удалённо в ручном режиме.
Питание внешних цепей управления: 24VDC
Опции и аксессуары:
- Кнопка аварийного отключения питания(разрыватель)
«СТОП»
- Реле контроля температуры обмоток двигателя
- Аварийное переключения источника питания
- Утепленный корпус и подогрев щита
- Установка Изменителя-регулятора (ТРМ) для управления двигателями с аналоговых датчиков и диспетчеризации по ModBUS
- Преобразователь для удаленной диспетчеризации по радиоканалам и локальным сетям TCP
Защитные функции: Полный комплекс
Степень защиты: степень пыле-влаго защищенности IP54(опционально IP66)

Каналы команды запуска/остановка: Фасад щита, клеммы, «Сухие контакты»

Общие сведения

ШУДН предназначены для контроля и управления насосными агрегатами со стандартными асинхронными двигателями одного типоразмера в качестве приводов, работающих в системах дренажа или наполнения резервуаров, мощностью до 45 кВт.
Эти устройства обеспечивают высокую эффективность и надежность в работе оборудования.
Щиты оснащены функциями автоматического управления на основе различных датчиков. Это позволяет автоматизировать процесс работы оборудования в зависимости от текущих условий эксплуатации.
Каждый щит комплектуется системой защиты для предотвращения повреждений двигателя и других компонентов системы.
Щиты управления могут быть оснащены для установки как внутри помещений, так и на улице. Для наружной установки предусмотрены модели с системами обогрева и вентиляции внутри щита.
В базовой комплектации щиты обладают степенью защиты IP54 и климатическими исполнениями УХЛ4, У2.

Условные обозначения в наименовании шкафа управления

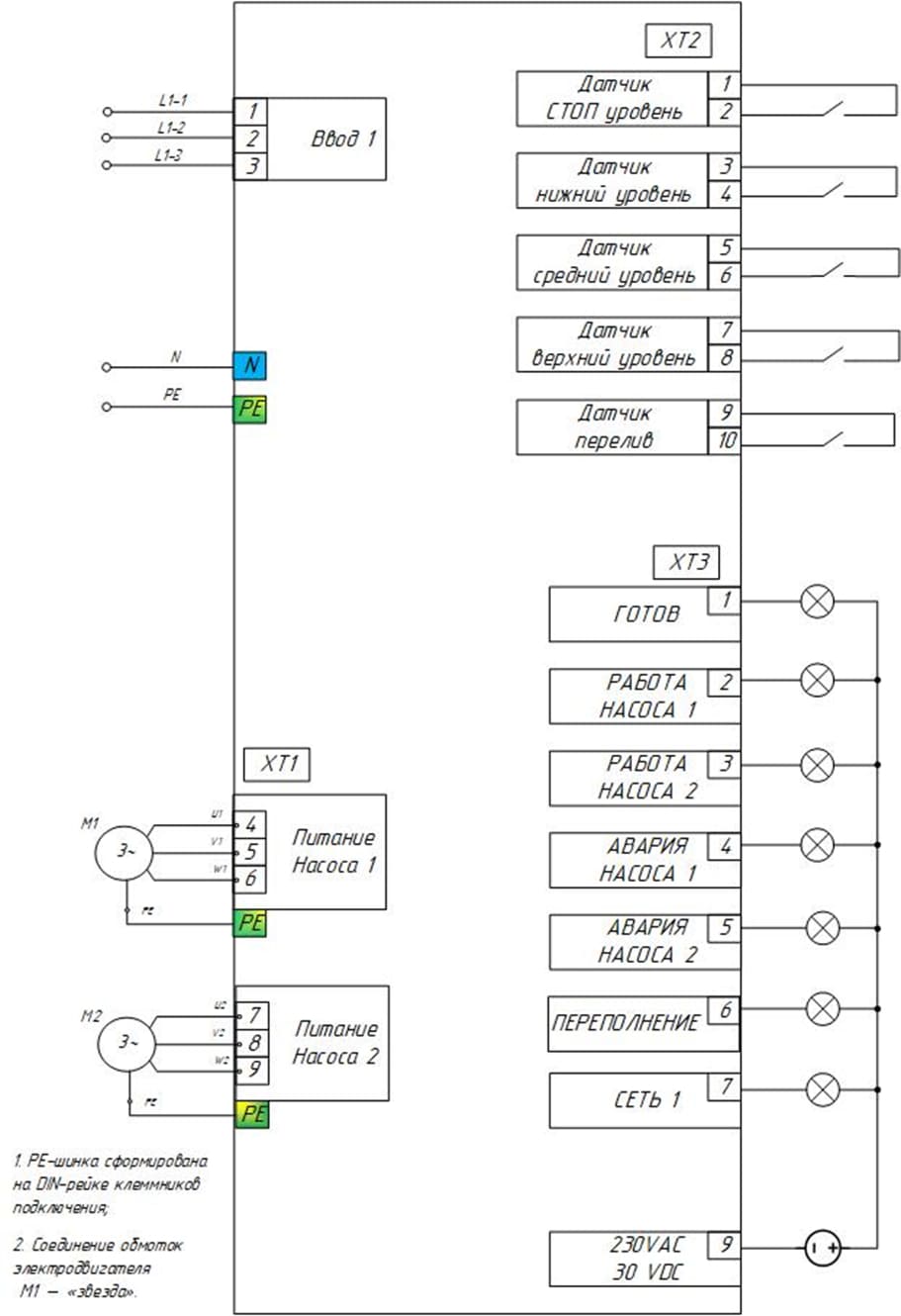
Схема шкафа

Алгоритм работы

Инструкция по вводу в эксплуатацию щита управления насосами

- Присоедините питающие кабели и кабели насосов.
- Подключите датчики уровня в соответствии с прилагаемой инструкцией, важно соблюдать последовательность уровней подключаемых датчиков. Расстояние между датчиками должно быть таким, чтобы насосы не слишком часто включались и выключались.
- Проверьте правильность чередования фаз (при правильном подключении на реле контроля фаз загорится желтый диод). При нарушении чередования фаз поменяйте любые две фазы местами.
- Отрегулируйте тепловое реле. Реле должно быть настроено на ток незначительно превышающий ток постоянного потребления двигателя. Для этого используйте специальный регулировочный винт. Сначала поставьте уставку тока двигателя в значение указанное на шильде двигателя, потом увеличивайте уставку тока срабатывания до тех пор, пока не прекратятся ложные срабатывания.

Логика работы системы автоматики
К клеммам №1-2 и №3-4 (группа ХТ2) подключаются датчики нижнего уровня. Данные датчики включены последовательно, это используется с целью предотвращения выхода из строя одного из поплавковых выключателей. Срабатывание любого из данных поплавковых выключателей будет приводить к отключению всех насосов.
Далее при повышении уровня жидкости в контролируемой емкости выше минимального уровня, происходит замыкание обоих контактов и собирается цепочка готовности к запуску насосов. При превышении уровня жидкости в емкости до срабатывания «Датчика среднего уровня» (НО-контакт подключен к клеммам № 5-6 группы ХТ2) происходит запуск первого дренажного насоса. Далее, если уровень жидкости перестает повышаться и будет в дальнейшем понижаться, то при достижении «Датчика нижнего уровня» жидкости и его осушении произойдет автоматическое отключение дренажного насоса. Если при повышении уровня жидкости до среднего уровня и после включения в работу первого дренажного насоса уровень жидкости будет продолжать повышаться, то при срабатывании «Датчика верхнего уровня» (НО-контакт подключен к клеммам № 7-8 группы ХТ2) произойдет включение в работу второго дренажного насоса в дополнение к первому насосу (будут работать два насоса). Если в дальнейшем уровень жидкости ещё повыситься до срабатывания «Датчика перелив» (НО-контакт подключен к клеммам № 9-10 группы ХТ2), это приведет только к активации выхода «Перелив», куда возможно подключение световой и звуковой сигнализации, для привлечения внимания обслуживающего персонала. Если после включения второго дренажного насоса уровень жидкости понизится до «Датчика нижнего уровня», то в этом случае произойдет отключение обоих дренажных насосов, автоматика опять перейдет в режим ожидания.
Система автоматики предусматривает дистанционную сигнализацию срабатывания систем, для этого следуя схеме подключения, приведенную в пункте №3 (см.выше), к клеммам группы ХТ3 возможно подключение внешних устройств, расположенных на расстоянии от места установки шкафа управления, что позволит дистанционно контролировать режим работы системы автоматизации. Сигнал «Авария насоса 1» загорается при срабатывании теплового реле данного электродвигателя или при отключении его автомата питания, аналогична логика загорания сигнала «Авария насоса 2», только в отношении электродвигателя второго насоса. Наличие сигнала «Работа насоса 1 или 2» показывает момент работы соответствующего насоса. Наличие сигнала «Готов» сигнализирует о работоспособности системы автоматики и отсутствии аварийных сигналов. Наличие сигнала «230VAC 24 VDC» сигнализирует о исправности дистанционной системы сигнализации. Наличие сигналов «Сеть 1» необходима для контроля наличия напряжения на вводе питания в панель автоматики и правильности чередования фаз при подключении внешней сети.

Требования по безопасности

- Все работы по монтажу,подключению и настройке шкафов управления должны осуществляться квалифицированными специалистами.
- При монтаже убедитесь в соответствии условий окружающей среды требованиям, указанным в технической документации.
- Перед вводом в эксплуатацию тщательно проверьте все соединения и убедитесь в отсутствии коротких замыканий и других дефектов проводки.
- Настройте параметры тока двигателя на реле защиты тока, параметры напряжения на реле контроля фаз.
- Проверьте работоспособность датчиков.
- Следите за тем, чтобы режимы работы насосов соответствовали указанным в технических параметрах шкафа управления.

Гарантия и сервис

ООО "ИНТЕХА" предоставляет гарантийное обслуживание на шкафы управления насосами серии ДИРЕКТ в соответствии с условиями гарантийного срока 12 месяцев с момента ввода в эксплуатацию (согласно акту ввода в эксплуатацию), но не более 18 месяцев со дня продажи оборудования.

Для получения дополнительной информации, технической поддержки или вызова сервисного инженера обращайтесь к представителю ООО ИНТЕХА
Почта: info@inteha.ru
тел. +7 (812) 200-97-25, 8-800-777-97-25